
發布時間:2018-09-29 瀏覽次數:
創力輥筒(滾筒)是引進吸收國外先進技術,精心研究開發的系列化產品,具有結構合理,精度高、噪音低、轉動靈活、承載范圍大、外形美觀等顯著特點,是物料搬暈系統中不可缺少的關鍵零部件。我們已為客戶提供了超過幾百種形式的輥筒(滾筒),不論在什么場合,不論貨物的形式,輕重,大小,我們都能夠最大程度地滿足您的輸送需求。
1、選型步驟
2、輥筒(滾筒)規格的選擇
·重量不同應選擇直徑、長度的輥筒(滾筒)、輥筒(滾筒)長度可按用戶要求生產,一般情況下是貨物寬度+50mm。(圖一)本公司有各種輥筒(滾筒)可適用于重量,長度和不同要求的物料的輸送。
·不動的使用環境應選擇合適種類的輥筒(滾筒),比如潮濕的環境應選擇不銹鋼或塑鋼類型的輥筒(滾筒)。
·在有轉彎輥道時應考慮轉彎的半徑,以保證物料的順利輸送。(圖二)
·為確保貨物的平衡輸送,必須任何時候都有三支輥筒(滾筒)和輸送物保持接觸,對軟袋包裝物必要時應加托盤輸送。(圖三)
3、輥筒(滾筒)的分類
根據有無動力:無動力輥筒(滾筒)和動力輥筒(滾筒)兩大類,均含有直輥和錐輥類型。
根據驅動效果:動力輥筒(滾筒)可分為確動式和積放式兩種。
根據驅動效果:動力輥筒(滾筒)可分為圓帶驅動(帶槽)平帶驅動(摩擦帶)和鏈條驅動(帶鏈論)三類
根據軸承品種:專用精密軸承和專用沖壓軸承,軸承座號包含鋼質座和工程塑料座。
根據筒體材質:采用多種材料,實現多種表面處理,從而滿足各種不同使用環境下物料輸送的需要
根據安裝方式:軸心彈簧裝入式和固定裝入式。
| 無動力輥筒(滾筒)>>ARC輕、中負荷型 |
|
|
結構:采用特制尼龍軸承座、非標精密軸承
特點:經久耐用、轉動靈活、價格低廉
用途:適合各種輕型、中型輥道輸送機 使用場所:適合工廠、倉庫、物流中心的室內。
| 輥筒直徑D | 軸徑d | 壁厚t | 長度L | 長度L1 | 筒體材料 | 表面處理 |
| ф25 | ф8 | 1.0 | 50-800 | L+10 |
碳鋼 不銹鋼 鋁合金 塑鋼 |
鍍鋅 鍍鉻 鑄膠 包塑 |
| ф31.8 | ф8 | 1.5 | 50-1000 | L+10 | ||
| ф38 | ф12 | 1.5 | 50-1200 | L+10 | ||
| ф50 | ф12 | 1.5 | 50-1500 | L+10 | ||
| ф60 | ф12 | 1.5/2.0 | 50-1500 | L+10 |
| 無動力輥筒(滾筒)>>ARP中負荷、高速型 |
|
|
結構:采用特制尼龍軸承座、非標精密軸承
特點:超靜音、經久耐用、高速運轉
用途:適合輕、中型輥筒輸送機,動態儲存系統及高速運轉機械
使用場所:適合工廠、倉庫、物流中心的室內。
| 輥筒(滾筒)直徑D | 軸徑d | 壁厚t | 長度L | 長度L1 | 筒體材料 | 表面處理 |
| ф25 | ф8 | 1.0 | 50-800 | L+8 |
碳鋼 不銹鋼 鋁合金 工程塑料 |
鍍鋅 鍍鉻 鑄膠 包塑 |
| ф38 | ф12 | 1.5 | 50-1200 | L+8 |
| 無動力輥筒(滾筒)>>ARP中負荷、用途廣泛型 |
|
|
結構:采用特制尼龍軸承座、國標精密軸承
特點:噪音低、經久耐用、轉動靈活
用途:適合輕、中型輥筒輸送機,動態儲存系統
使用場所:適合工廠、倉庫、物流中心的室內。
| 輥筒(滾筒)直徑D | 軸徑d | 壁厚t | 長度L | 長度L1 | 筒體材料 | 表面處理 |
| ф38 | ф12 | 1.5 | 50-1200 | L+10 |
碳鋼 不銹鋼 鋁合金 塑鋼 |
鍍鋅 鍍鉻 鑄膠 包塑 |
| ф50 | ф12 | 1.5 | 50-1500 | L+11 | ||
| ф60 | ф12 | 2.0 | 50-1500 | L+10 | ||
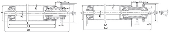
| 無動力輥筒(滾筒)(A系列)>>ARS中、重負荷 |
|
|
結構:采用特制鋼質軸承座、精密軸承 特點:負荷大、噪音低,經久耐用,轉動靈活
用途:適合重力式輥筒輸送機,動態儲存系統。 使用場所:適合工廠、倉庫、物流中心的室內。
| 輥筒直徑D | 軸徑d | 壁厚t | 長度L | 長度L1 | 長度L2 | 筒體材料 | 表面處理 |
| ф38 | ф12 | 1.5 | 50-1500 | L+8 | L+30 |
碳鋼 不銹鋼 鋁合金 塑鋼 |
鍍鋅 鍍鉻 鑄膠 包塑 |
| ф42 | ф12 | 1.5 | 50-1500 | L+8 | L+30 | ||
| ф50 | ф12 | 1.5/2.0 | 50-1500 | L+8 | L+30 | ||
| ф57 | ф12 | 1.5 | 50-1500 | L+8 | L+30 | ||
| ф60 | ф12 | 1.5/2.0 | 50-1500 | L+8 | L+30 | ||
| ф60 | ф15 | 2.0/3.0 | 50-1500 | L+8 | L+30 | ||
| ф76 | ф20 | 3.0/4.0 | 50-2000 | L+8 | L+45 | ||
| ф89 | ф20 | 3.0/4.0 | 50-2000 | L+8 | L+45 | ||
| ф108 | ф20 | 4.0 | 50-2000 | L+8 | L+45 |
| 無動力輥筒(A系列)>>ARS/ARP中、重負荷(擋邊形式) |
|
|
結構:采用特制鋼質軸承座、精密軸承 特點:負荷大、噪音低、經久耐用,轉動靈活。
用途:適合重力式輥筒(滾筒)輸送機,動態儲存系統。
使用場所:適合工廠、倉庫、物流中心的室內。
| 輥筒直徑D | 軸徑d | 壁厚t | 長度L | 筒體材料 | 表面處理 |
| ф50 | ф12 | 1.5/2.0 | 100-1200 |
碳鋼 不銹鋼 |
鍍鋅 鑄膠 |
| ф60 | ф12ф15 | 2.0/3.0 | 100-1500 | ||
| ф76 | ф20 | 3.0/4.0 | 100-2000 | ||
| ф89 | ф20 | 3.0/4.0 | 100-2000 |
| 無動力輥筒(A系列)>>ARZ輕負荷塑鋼錐輥 |
|
|
結構:采用特制工程塑料錐套、精密軸承 特點:高耐磨、耐潮濕,經久耐用,轉動靈活
用途:適合重力式輥筒輸送機,動態儲存系統。 使用場所:適合工廠、倉庫、物流中心的室內。
| 錐輥小端直徑 | 錐度 | 錐輥大端直徑 | |||||
| ф42 | 3.6° | L=200 | 300 | 400 | 500 | 600 | 700 |
| ф50 | 50.6 | 56.9 | 63.2 | 69.5 | 75.8 | 82.1 | |
| 56 | 68.9 | 75.2 | 81.5 | 84.8 | 94.1 | ||
| 無動力輥筒(A系列)>>ARP中、重負荷鋼制錐輥 |
|
|
結構:采用特制錐形筒體、精密軸承 特點:負荷大、噪音低、經久耐用,轉動靈活。
用途:適合重力式輥筒輸送機,動態儲存系統。
使用場所:適合工廠、倉庫、物流中心的室內。
| 錐輥小端直徑 | 錐度 | 錐輥大端直徑 | |||||
| 3.6° | L=200 | 300 | 400 | 500 | 600 | 700 | |
| ф50 | 62.6 | 68.9 | 75.2 | 81.5 | 87.8 | 94.1 | |
| 系列輥筒(滾筒) |
|
|
|
|
|||
| 包膠耐磨錐輥 | 包膠耐油耐腐蝕輥筒 | 耐高溫輥筒 | 熱縮橡膠輥筒 |
|
|
|
|
|||
| 防水型輥筒 | 六角軸輥筒(塑鋼、鋼制軸承座) | 硬質輥筒(厚臂管精加工) | 改向、張緊輥筒(皮帶機型使用) |
| 帶鏈輪動力輥筒(L系列)>>LRDP、LRSP(中負荷確動式) |
|
|
結構:采用耐磨工程塑料鏈輪、精密軸承
特點:耐潮濕,噪音低,轉動靈活
用途:適合鏈動傳動輥筒輸送機。
使用場所:適合工廠、倉庫、物流中心的室內。
| 輥筒直徑D | 軸徑d | 壁厚t | 常規鏈輪 | 長度L1 | 筒體材料 | 表面處理 |
| ф50 | ф12 | 1.5/2.0 | 08B11齒/14齒 | 100-1200 |
碳鋼 不銹鋼 鋁合金 塑鋼 |
鍍鋅 鍍鉻 鑄膠 包塑 |
| ф60 | ф12 | 2.0/3.0 | 08B11齒/14齒 | 100-1500 |
| 帶鏈輪動力輥筒(L系列)>>LRD(中、重負荷確動式) |
|
|
結構:采用鋼制鏈輪、精密軸承
特點:負荷大、噪音低、經久耐用,轉動靈活。
用途:適合鏈傳動輥筒輸送機。
使用場所:適合工廠、倉庫、物流中心的室內。
| 輥筒直徑D | 軸徑d | 壁厚t | 常規鏈輪 | 長度L1 | 筒體材料 | 表面處理 |
| ф38 | ф12 | 1.5 | 06B11齒/13齒 | 100-1200 |
碳鋼 不銹鋼 鋁合金 |
鍍鋅 鍍鉻 鑄膠 包塑 |
| ф42 | ф12 | 1.5 | 06B11齒/13齒 | 100-1200 | ||
| ф50 | ф12 | 1.5/2.0 | 08B11齒/14齒 | 100-1500 | ||
| ф57 | ф12 | 1.5/2.0 | 08B11齒/14齒 | 100-1500 | ||
| ф60 | ф12/ф15 | 2.0/3.0 | 08B11齒/14齒 | 100-1500 | ||
| ф76 | ф20 | 3.0/4.0 | 10A13齒 | 100-2000 | ||
| ф89 | ф20 | 3.0/4.0 | 10A13齒 | 100-2000 | ||
| ф108 | ф20 | 4.0 | 10A13齒 | 100-2000 |
| 帶鏈輪動力輥筒(滾筒)(L系列)>>LRS(中、重負荷確動式) |
|
|
結構:采用鋼質鏈輪、精密軸承。
特點:負荷大、噪音低、經久耐用,轉動靈活。
用途:適合鏈動傳動輥筒輸送機。
使用場所:適合工廠、倉庫、物流中心的室內。
| 輥筒直徑D | 軸徑d | 壁厚t | 常規鏈輪 | 長度L1 | 筒體材料 | 表面處理 |
| ф38 | ф12 | 1.5 | 06B11齒/13齒 | 100-1200 |
碳鋼 不銹鋼 鋁合金 |
鍍鋅 鍍鉻 鑄膠 包塑 |
| ф42 | ф12 | 1.5 | 06B11齒/13齒 | 100-1200 | ||
| ф50 | ф12 | 1.5/2.0 | 08B11齒/14齒 | 100-1500 | ||
| ф57 | ф12 | 1.5/2.0 | 08B11齒/14齒 | 100-1500 | ||
| ф60 | ф12/ф15 | 2.0/3.0 | 08B11齒/14齒 | 100-1500 | ||
| ф76 | ф20 | 3.0/4.0 | 10A13齒 | 100-2000 | ||
| ф89 | ф20 | 3.0/4.0 | 10A13齒 | 100-2000 | ||
| ф108 | ф20 | 4.0 | 10A13齒 | 100-2000 |
| 帶鏈輪動力輥筒(L系列)>>LRDP/LRSP(中負荷積放式) |
|
|
結構:采用高耐磨工程塑料鏈輪、精密軸承。
特點:耐潮濕,噪音低、轉動靈活。
用途:合適鏈傳動輥筒輸送機,當物體需要在該輸送線上操作時,不須關閉電機可通過阻擋裝置使物體停止在鼓筒上(輥筒筒體與鏈輪之間產生了打滑的效果,就是說鏈輪繼續被鏈條帶著轉,而筒體停止不轉,它是通過鏈輪與耐磨尼龍積放套的間隙配合來實現的。)
使用場所:適合工廠、倉庫、物流中心的室內。
| 輥筒直徑D | 軸徑d | 壁厚t | 常規鏈輪 | 長度L1 | 筒體材料 | 表面處理 |
| ф50 | ф12 | 1.5/2.0 | 08B11齒/14齒 | 100-1500 |
碳鋼 不銹鋼 鋁合金 工程塑鋼 |
鍍鋅 鍍鉻 鑄膠 包塑 |
| ф60 | ф12 | 2.0/3.0 | 08B11齒/14齒 | 100-1500 |
| 帶鏈輪動力輥筒(L系列)>>LRDJ/LRSJ(中、重負荷積放式) |
![]() |
![]() |
結構:采用鋼質鏈輪、精密軸承。
特點:負荷大、噪音低、經久耐用,轉動靈活,摩擦力大小通過輥筒尾部的彈簧可調。
用途:適合鏈動傳動輥筒輸送機,當初體需要在該輸送線上操作時,不須關閉電機可通過阻擋裝置使物體停止在輥筒上(輥筒筒體與鏈輪之間產生了打滑的效果,就是說鏈論繼續被鏈條帶著轉,而筒體停止不轉,它是通過與鋼制積放座的間隙配合并通過彈簧的松緊壓力調節來實現的。)
使用場所:適合工廠、倉庫、物流中心的室內。
| 輥筒直徑D | 軸徑d | 壁厚t | 常規鏈輪 | 長度L1 | 筒體材料 | 表面處理 |
| ф50 | ф12 | 1.5/2.0 | 08B11齒/14齒 | 100-1500 |
碳鋼 不銹鋼 鋁合金 |
鍍鋅 鍍鉻 鑄膠 包塑 |
| ф60 | ф12/ф15 | 2.0/3.0 | 08B11齒/14齒 | 100-1500 | ||
| ф76 | ф20 | 3.0/4.0 | 10A14齒 | 100-2000 | ||
| ф89 | ф20 | 3.0/4.0 | 10A14齒 | 100-2000 |
![]() |
![]() |
![]() |
![]() |
![]() |
![]() |
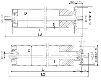
| 帶鏈輪動力輥筒(L系列)>>LRDPZ/LRSPZ(中負荷確動式/積放式錐輥) |
|
|
結構:采用鋼質鏈輪、精密軸承。 特點:高耐磨,低噪音,進久耐用。
用途:適合緩沖輸送線、轉動輸送機。使用場所:潮濕環境、工廠、倉庫、物流中心的室內。
| 錐輥小端直徑 | 錐度 | 鏈輪 | 軸徑 | 錐輥大端直徑 | |||||
| ф50 | 3.6° | 08B14齒 | ф12 | L=300 | 300 | 400 | 500 | 600 | 700 |
| 62.6 | 68.9 | 75.2 | 81.5 | 87.5 | 94.1 | ||||
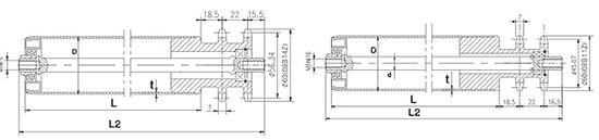
| 帶鏈輪動力輥筒(L系列)>>LRDZ/LRPZ(中、重負荷確動式積放式錐輥) |
|
|
結構:采用鋼質鏈輪、精密軸承。 特點:大負荷,高耐磨,低噪音,經久耐用。
用途:使用于轉彎輸送機 使用場所:工廠、倉庫、物流中心的室內。
| 錐輥小端直徑 | 錐度 | 鏈輪 | 軸徑 | 錐輥大端直徑 | |||||
| ф42 | 3.6° | 08B14齒 | ф12 | L=200 | 300 | 400 | 500 | 600 | 700 |
| 54.6 | 60.9 | 67.2 | 73.5 | 79.8 | 861 | ||||
| ф50 | 10A13齒 | 62.6 | 68.9 | 75.2 | 81.5 | 87.5 | 94.1 | ||
| 開槽動力輥筒(C系列)>>CRD/CRS(中負荷開單槽、雙槽式) |
|
|
|
結構:采用特制鋼制軸承座、精密軸承、筒體開R槽 特點:傳動效率高、超靜音,使用安全,防靜電。 用途:適合圓帶傳動積放式輥筒輸送機。 使用場所:適合工廠、倉庫、物流中心的室內。 傳動元件:直徑5mm高耐磨特種圓帶、塑鋼帶輪等。 |
| 輥筒直徑D | 軸徑d | 壁厚t | 長度L1 | 筒體材料 | 表面處理 |
| ф38 | ф12 | 1.5 | 100-1200 |
碳鋼 不銹鋼 |
鍍鋅 鑄膠 包塑 |
| ф50 | ф12 | 1.5/2.0 | 100-1200 | ||
| ф60 | ф12 | 2.0/3.0 | 100-1200 |
| 開槽動力輥筒(C系列)>>CRDP/CRSP(中負荷開單槽、雙槽式) |
|
|
結構:采用特制鋼制軸承座、精密軸承、筒體開R槽。
特點:傳動效率高、超靜音,使用安全,防靜電。
用途:適合圓帶傳動積放式輥筒輸送機。
使用場所:適合工廠、倉庫、物流中心的室內。
傳動元件:直徑5mm高耐磨特種圓帶。
| 輥筒直徑D | 軸徑d | 壁厚t | 長度L | 長度L1 | 筒體材料 | 表面處理 |
| ф38 | ф12 | 1.5 | 100-1200 | L+10 |
碳鋼 不銹鋼 |
鍍鋅 鑄膠 包塑 |
| ф50 | ф12 | 1.5/2.0 | 100-1200 | L+11 | ||
| ф60 | ф12 | 2.0/3.0 | 100-1200 | L+10 |
| 開槽動力輥筒(C系列)>>CRDZ/CRSZ(中、重負荷) |
|
|
結構:采用特制鋼制軸承座、精密軸承、筒體開R槽
特點:傳動效率高、超靜音,使用安全,防靜電。
用途:適合圓帶傳動積放式轉彎輥筒輸送機。
使用場所:適合工廠、倉庫、物流中心的室內。
傳動元件:直徑5mm高耐磨特種圓帶。
| 錐輥小端直徑 | 錐度 | 錐輥大端直徑 | |||||
| ф50 | 3.6° | L=200 | 300 | 400 | 500 | 600 | 700 |
| 62.6 | 68.9 | 75.2 | 81.5 | 87.5 | 94.1 | ||
鏈輪參數表:
|
鏈輪型號 |
齒數 |
外徑(mm) |
分度圓直徑 (mm) |
材質可選 |
表面處理 |
|
|
08B |
11Z |
?50 |
?45.07 |
45#碳鋼 |
304不銹鋼 |
選用45#碳鋼材質,表面淬火后鍍鋅或發黑 |
|
14Z |
?62 |
?57.07 |
45#碳鋼 |
304不銹鋼 |
選用45#碳鋼材質,表面淬火后鍍鋅或發黑 |
|
|
10A |
11Z |
?62 |
?56.34 |
45#碳鋼 |
304不銹鋼 |
選用45#碳鋼材質,表面淬火后鍍鋅或發黑 |
|
13Z |
?73 |
?66.33 |
45#碳鋼 |
304不銹鋼 |
選用45#碳鋼材質,表面淬火后鍍鋅或發黑 |
|
|
14Z |
?78 |
?71.34 |
45#碳鋼 |
304不銹鋼 |
選用45#碳鋼材質,表面淬火后鍍鋅或發黑 |
|
|
15Z |
?80 |
?76.35 |
45#碳鋼 |
304不銹鋼 |
選用45#碳鋼材質,表面淬火后鍍鋅或發黑 |
|
|
12A |
9Z |
?60 |
?55.69 |
45#碳鋼 |
304不銹鋼 |
選用45#碳鋼材質,表面淬火后鍍鋅或發黑 |
|
11Z |
?74 |
?67.62 |
45#碳鋼 |
304不銹鋼 |
選用45#碳鋼材質,表面淬火后鍍鋅或發黑 |
|
| 電動輥筒(D系列) |
電動型棍子是我本公司生產的小直徑輥道輥子是工業自動流水線及小型輸送設備作為驅動的理想元件。本公司采用三相外轉子異步電動機作動力,三級行星齒輪減速機構作傳動,具有結構緊湊、轉動平衡、噪音小、溫升低等特點,輥子中的熱保護器使輥子堵轉時電機不易燒毀,安全可靠,使用方便。有扭矩保護裝置,使用安全??杉幼冾l調速裝置,達到單臺或多臺無級調速,自動運轉。選用產品請按“系列形式表示”方法注明產品規格。設計輸送機時請按標準確定機架尺寸選定輥子規格。
| 型號 | 額定電流 | 起動電流 | 線速度 | 輸入電源 | 輸出功率 |
| DRB6012 | 0.12A | 0.66A | 3-21M/min | 三相220V/380V | 30W 50HZ |
| DRA7620 | 0.35A | 1.25A | 5-30M/min | 三相220V/380V | 60W 50HZ |
| 長度:300、400、500、600、700、800 | |||||
| DRZ型錐形電動輥子按以上標準制造 | |||||
|
注:1、電動輥子輸送物料的能力與輥子表面切向推力、物料底面的大小、材質及平滑程度有關,物料底面應盡量平整,如物料為散料或軟揉包裝,應加貨箱或托板。 2、當電動輥子與物料底面的滾動摩擦系數過小時,可在輥子表面包鑄塑料、橡膠等,初步確定所需電動輥子數置后,應校核電動輥子的承載能力,如果輥子的承載能力不夠時,應縮小間距,增加輥子的數量。 |
|||||